EBOOK
  • Dmca
  • Contact
  • Privacy Policy
  • Copyright

Mci Bus Regulator Wiring Diagram Pdf

2

2

Gas Ezgo Wiring Diagram Ezgo Golf Cart Wiring Diagram E Z Go

Gas Ezgo Wiring Diagram Ezgo Golf Cart Wiring Diagram E Z Go

Westinghouse Tv Schematic Diagram Hamtar Schematic Diagram

Westinghouse Tv Schematic Diagram Hamtar Schematic Diagram

Download Saab Bentley Wiring Diagram

Download Saab Bentley Wiring Diagram

All Buses And Motor Coaches Twin Cities Buses And More

All Buses And Motor Coaches Twin Cities Buses And More

Fec8b 1970 Vw Bus Wiring Diagram Wiring Library
Yamaha Cvp 309gp Clavinova Service Manual Pdf By Heydownloads Issuu
Mci Bus Fuse Box Piston Faint Slotenmaker Janwillem Nl
Https Encrypted Tbn0 Gstatic Com Images Q Tbn 3aand9gcshe2kgfk26glr6 Jtac0vibcwpylcxubzvxdqbw0d4dmghohx Usqp Cau
Ec1e116 Van Hool Bus Wiring Diagrams Wiring Library
Payne Gas Heater Wiring Diagram Wiring Diagram
Ca2b Mci 102a3 Bus Wiring Diagram Wiring Resources
07a 1965 Chrysler Newport Wiring Diagram Wiring Resources
8d68c5 Mci Wiring Diagrams Wiring Resources
Mci Wiring Diagrams Swich Volkswagendesa Firstclassdesign Nl
Mci Specifications
12 Volt Farmall H Wiring Diagram Wiring Diagram
Generac 20 Kw Wiring Diagram Wiring Diagram
Cb20d55 T1 66 Block Wiring Diagram Free Download Wiring Library
Van Hool Bus Wiring Diagrams Fordtr 2000 Rmnddesign Nl
Van Hool Bus Wiring Diagrams Fordtr 2000 Rmnddesign Nl
B7c07b9 Flexible Bus Wiring Diagram 1983 Wiring Library
1998 Dodge Ram 1500 Wiring Diagram Free Picture Generator Upin10
Dc Voltmeter Wiring Diagram Wiring Diagram
A Comprehensive Review Of Pv Driven Electrical Motors Sciencedirect
B1froas8muoojm
How To Wire 12 Volt Led Lights In Your Camper Van Conversion
Mci Air Suspension
Rj45 Phone Jack Wiring Diagram Wiring Diagram
Aftermarket Rpm Gauge Wiring Diagram Wiring Diagram
2
Last Ned Ac Co Wiring Diagram Wiring Diagram
Humbucker Wiring Diagram 320 Art 320 Art
Keytec Mci User Manual Laste Ned User Manual
Hobart Rack Oven Wiring Diagram Wiring Diagram
Van Hool Bus Wiring Diagrams Fordtr 2000 Rmnddesign Nl
Vw Bus Manuals Pdf Wiring Diagrams Bus Coach Manuals Pdf
Download Toyota Celica 2004 Electrical Wiring Diagrams
Ignition Wiring Diagram For Yamaha V Star V Star
Https Encrypted Tbn0 Gstatic Com Images Q Tbn 3aand9gcsfnoayjho Phmo553ufxqp8agnnjtkeub 4d2garqh965rvoaw Usqp Cau
Prestolite Leece Neville
20be New Flyer Bus Wiring Diagram Wiring Resources
A026158 Mci 102a3 Bus Wiring Diagram Wiring Library
Dave S Bus Conversion 12v On 24v Converters 24v To 12v Conversion
Electrical Wiring Diagrams Light Deck Light Deck
Wiring Diagram Manual Pdf Landing Gear Switch
Mci 102a3 Bus Wiring Diagram Wiring Diagram
2013 Kawasaki Teryx Wiring Diagram Grabengg Fordtr
Cb20d55 T1 66 Block Wiring Diagram Free Download Wiring Library
B7c07b9 Flexible Bus Wiring Diagram 1983 Wiring Library
Girardin Bus Wiring Diagrams Keju 8 Chia Samen Guru De
Wrg 1757 Bmw Wire Diagram
Mci Bus Wiring Schematic Ducatirx Aero Althausbittetzutisch De
All Buses And Motor Coaches Twin Cities Buses And More
Diagram 1994 Dodge Ram 3500 Radio Wiring Diagram Wiring Diagram
Https Assets Danfoss Com Documents Doc308440019039 Doc308440019039 Pdf
3c0f6 Flexible Bus Wiring Diagram 1983 Wiring Library
Wrg 0721 Kohler Voltage Regulator Wiring Diagram
Https Assets Danfoss Com Documents Doc308440019039 Doc308440019039 Pdf
Download The Lightweight Treated Soil Method Doc For Iphone
Cb20d55 T1 66 Block Wiring Diagram Free Download Wiring Library
68g5 105 Series Mci J4500 Coach North America Transport Air
Nzug4vw77pstom
Prestolite Leece Neville
Fender Strat Wire Diagram Wire Diagram
Fec8b 1970 Vw Bus Wiring Diagram Wiring Library
Http Www Wcrosby Com Bus Bcm December2010 Pdf
Dave S Bus Conversion 12v On 24v Converters 24v To 12v Conversion
All Buses And Motor Coaches Twin Cities Buses And More
1957 Les Paul Wiring Diagram Wiring Diagram
2006 Honda Trx 350 Wiring Diagram Wiring Diagram
Cb20d55 T1 66 Block Wiring Diagram Free Download Wiring Library
Download Mx321 Voltage Regulator Wiring Diagram
Wrg 1615 2006 Mack Wiring Diagram
Mci Wiring Diagrams Swich Volkswagendesa Firstclassdesign Nl
2
Ca2b Mci 102a3 Bus Wiring Diagram Wiring Resources
Ca2b Mci 102a3 Bus Wiring Diagram Wiring Resources
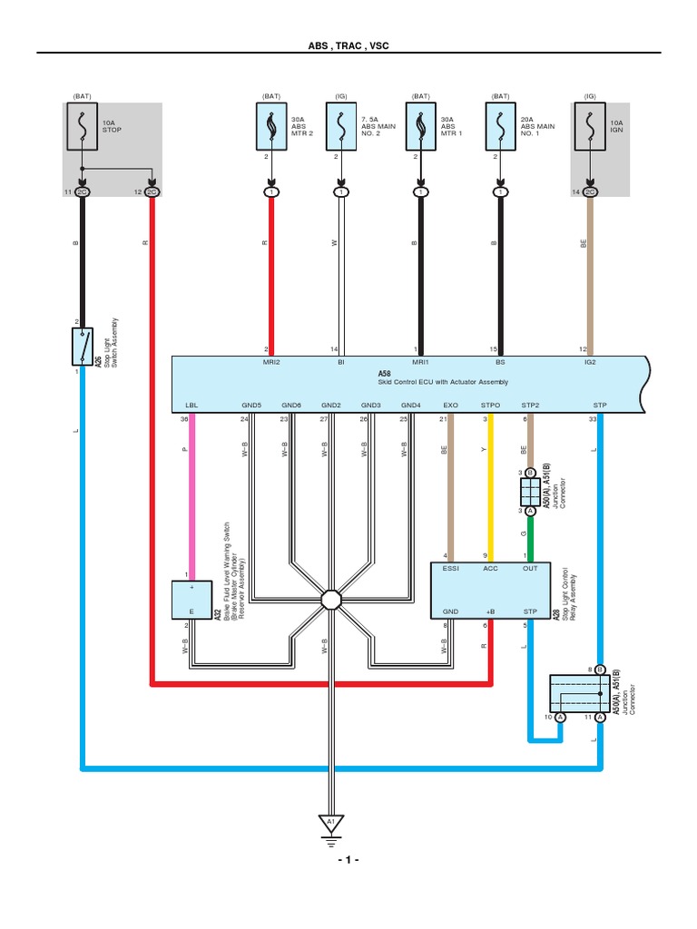
2010 Toyota Prius Electrical Wiring Diagrams Pdf Anti Lock
Ic Powersupply Pin Wikipedia The Free Encyclopedia Motherboard Ram
Home New Flyer North America S Bus Leader New Flyer North
Https Assets Danfoss Com Documents Doc308440019039 Doc308440019039 Pdf
21d 2005 Bluebird Vision Wiring Schematic Wiring Resources
Https Www Bidnet Com Bneattachments 449042500 Pdf
Transnet Nz Ltd Utility Products Catalogue 2018 Second Edition By
Ca2b Mci 102a3 Bus Wiring Diagram Wiring Resources
Diagram Nokia 101 Nokia 101
Iveco Bus Fault Codes Part 3 Bus Coach Manuals Pdf Wiring
Https Encrypted Tbn0 Gstatic Com Images Q Tbn 3aand9gcsazydfkybz6l3d9zmvp9ld2s4seqrkxwttcis5th8zzl35fsmz Usqp Cau
Http Www Wcrosby Com Bus Bcm December2010 Pdf
Motor Drum Switch Wiring Diagram Wiring Diagram
Daewoo Bus Manuals Pdf Bus Coach Manuals Pdf Wiring Diagrams
All Buses And Motor Coaches Twin Cities Buses And More
A026158 Mci 102a3 Bus Wiring Diagram Wiring Library
Https Encrypted Tbn0 Gstatic Com Images Q Tbn 3aand9gcshe2kgfk26glr6 Jtac0vibcwpylcxubzvxdqbw0d4dmghohx Usqp Cau
2008 Ford Expedition Fuel System Wiring Diagram Misahake Upin1
1993 Motorola Linear Interface Ics Vol 2 Pdf
099 Bosch Regulator Wire Diagram Wiring Resources
Last Ned Audiobahn Subwoofer Wiring Diagram Wiring Diagram
Usb Bus Diagram Diagram Base Website Bus Diagram
0caff3f 12 Volt Light Wiring Diagram Wiring Library
Wiring Diagram Manual Pdf Landing Gear Switch
403921 Case Skid Steer Wiring Diagrams Wiring Resources
Kawasaki 360 Prairie Wiring Diagram Wiring Diagram

Random Posts

  • Unit 4 Toxins Lesson 7 Answer Key Pdf
  • Sportcraft Tx 335 Treadmill Pdf
  • Elementary Linear Algebra Edwards Penney Pdf
  • White Slaves African Masters Pdf
  • Ocean Carriers Case Excel Solutions Pdf
  • Holt Handbook Sixth Course Answer Key Pdf
  • The Bare Bones Camera Course For Film And Video Pdf
  • Introduction To Internal Combustion Engines Fourth Edition Pdf
  • Pogil Ap Biology Gene Expression Answer Key Pdf
  • Free Receptionist Training Manual Pdf
Dmca Contact Privacy Policy Copyright

Download Or Reading Online Free Receptionist Training Manual Pdf Here